Compressed Air Motor
ME12S PROJECT
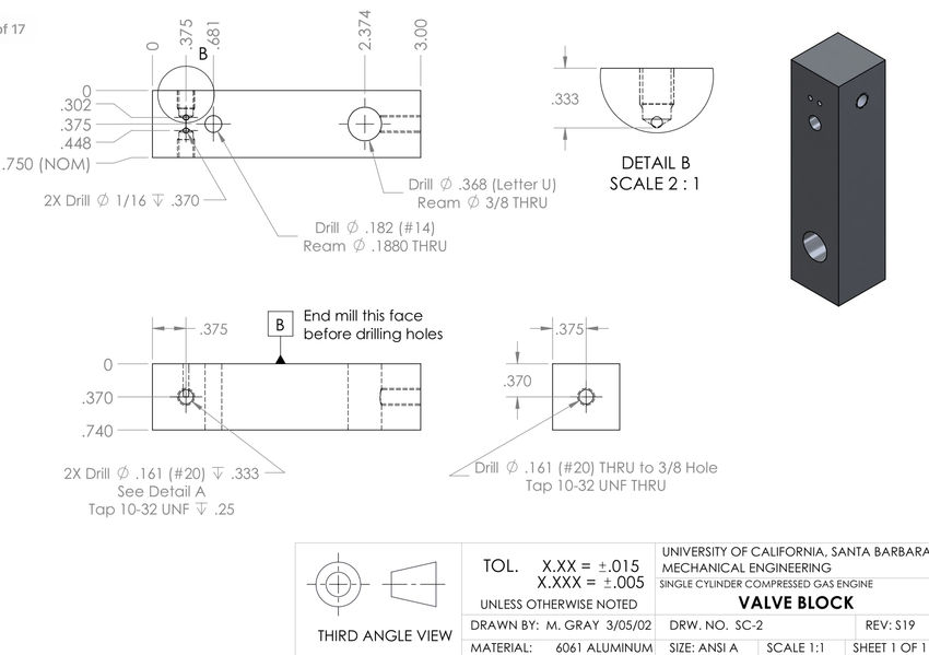
In this project, I manufactured a functioning air motor according to the tolerances and dimensions provided from an engineering drawing. I fabricated the motor using raw material (brass, aluminum)using tools such as the lathe, mill, band saw and various precision measuring tools such as calipers and micrometers

How It Functions
The valve system for this air motor operates by the pivoting of the cylinder block in relation to the valve block – This action slides the cylinder port across the inlet and exhaust ports of the valve block. This style of air motor is sometimes referred to as a “wobbler” due to this motion. Note that at Top Dead Center and Bottom Dead Center there is no overlap between the ports. The motor must be started near the top of the power stroke where there is slight overlap between the valve block inlet port and the cylinder block port. The momentum of the flywheel is required to keep the rotation going through the exhaust stroke. Otherwise, the motor will stall before it makes a full rotation to where compressed air can come through the inlet port for the next power stroke.





